Static relays
م.عبد العزيز بكر
المعهد العالي للطاقة
يقصد بأجهزة الوقاية الاستاتيكية ( الساكنة ) تلك الأنواع الحديثة من المرحلات والتي تكون دوائر القياس والمقارنة فيها دوائر إلكترونية وليست أجزاء متحركة كما في الأجهزة الكهروميكانيكية، وقد تطورت صناعة أجهزة الوقاية الاستاتيكية خلال العشرين عاماً الماضية تطوراً كبيراً حيث كانت تعتمد على الترانزيستور Transistors وفي السنوات الأخيرة دخلت فيها الدوائر المتكاملة ( المدمجة ) linear silicon integrated circuits – والبوابات الرقمية Logic gates والدوائر المنطقية Logic circuits وأخيراً المعالجات Micro – processors ومع استخدام هذه المكونات أصبح من الممكن إنتاج مرحلات عالية الأداء وذات خواص متميزة لتواكب متطلبات وقاية الشبكات الحديثة التي اتسعت وازدادت تعقيداً .
وبالإضافة إلى كل ما سبق فالمرحلات الاستاتيكية تتميز بالآتي :
1 – السرعة العالية . 2 – الحساسية الفائقة . 3 – عدم الحاجة إلى الصيانة
4 – عدم تأثيرها بالصدمات والاهتزازات . 5 – صغر حجمها بالمقارنة بالأجهزة الكهروميكانيكية .
وقد أصبح ممكناً إنتاج مرحلات تحل محل جميع المرحلات الكهروميكانيكية التي سبق ذكرها فيما عدا بعض المرحلات المساعدة التي ما زالت تنتج من النوع ذو العضو المنجذب Attracted armature وتدخل في تكوين الأجهزة الاستاتيكية وذلك لبساطة تركيبها حيث يؤخذ منها خرج المرحل وتحتوى على عدد كبير من نقط التلامس Contacts
وقد واجهت صناعة المرحلات الاستاتيكية بعض الصعوبات منها :
1 – العديد من المكونات الإلكترونية التي تدخل في صناعة المرحلات تنتج بواسطة شركات أخرى غير التي تنتج المرحلات مما يحتم على صانعي المرحلات عمل اختبارات جودة صارمة على هذه المكونات قبل إدخالها في صناعة المرحلات .
2 -الحساسية الفائقة للدوائر الرقمية Digital circuits التي تدخل في صناعة المرحلات أوجدت مشكلة في كيفية المحافظة على موثوقية عمل المرحلات دون أن تأثرها بالتداخلات الكهربية Electrical interference الناشئة عن قربها من الجهود العالية والفائقة .
3 – نظرا لاعتماد المرحلات بصورة أساسية على التيار المستمر، فقد تم تزويد كل مرحل بمصدر تغذية بالتيار المستمر يقوم بتخفيض الجهد المستمر المأخوذ من البطاريات من قيمته العادية 110 – 220 فولت ) إلى القيم التي تناسب المرحلات وهي ( 15 & 24 فولت ) ويطلق على وحدة التغذية D C / DC converter وتحتوى المحطة على مصدرين للتيار المستمر ( بطاريتين وجهازي شحن ) وكل منهما يسلك مساراً مخالفاً لمسار الآخر حتى يصل إلى خلية الوقاية وذلك لزيادة الموثوقية .
وهناك نوعين للمرحلات الاستاتيكية:
1 – النوع الأول: وهي المرحلات ذات الوظيفة الواحدة أو الوظائف المحدودة ويكون المرحل من وحدة واحدة وداخل غلاف واحد Casingومن أمثلة هذا النوع مرحلات الوقاية ضد زيادة التيار .
2 – النوع الثاني: وهي المرحلات المركبة التي تحتوى على عدد كبير من دوائر القياس والدوائر الإلكترونية وينتج المرحل على صورة كروت Modules متعددة لكل منها وظيفة محددة يتم التحكم فيها بواسطة معالج Micro – processor وتركب الكروت في حامل قياسي Standard rack وهناك الكروت التي تؤدى وظائف اختيارية يمكن أن تضاف إلى المرحل حسب رغبات الجهات التي تستعملها، ويكون للمرحل وحدة التغذية الخاصة به وأحياناً وحدتان كما في مرحلات وقاية القضبان نظراً لأهميتها، وكذلك وحدات الخرج وهي كروت تحتوى على مرحلات مساعدة كهروميكانيكية حيث توفر عدداً كبيراً من نقط التلامس تستخدم لإعطاء إشارات الفصل والإنذار ومن أمثلة هذا النوع مرحلات الوقاية المسافية ووقايات القضبان التفاضلية وغيرها .
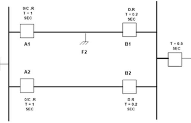
وللتعرف على طريقة عمل المرحلات ذات الوظيفة الواحدة وكيفية أداء كل من دوائر المقارنة والقياس التي سبق استعراضها، نستعرض طريقة عمل مرحل الوقاية ضد زيادة التيار :
أولاً: الدوائر الأساسية المستخدمة عادة في هذه الأجهزة وهي :
1 – وحدات تحويل التيار المتردد AC الداخل إلى المرحل من محولات التيار إلى تيار مستمر Dc لأغراض القياس والمقارنة .
2 – كاشفات القيمة Level detectors التي تقوم بمقارنة الكمية الداخلة إليها مع القيمة المعايرة عليها Current setting وعندما تزيد قيمة الإشارة الداخلة عن القيمة المعايرة عليها يعطي خرجاً في صورة رقمية والخرج الرقمي يقصد به أن يكون على صورة ( نعم أو لا ) وبلغة الحاسب ( 0 OR 1 ) .
3 – المؤقت Timer الذي يقوم بتأخير إصدار إشارة الفصل بعد صدورها من الكاشف لفترة زمنية محددة أو لفترة زمنية تتناسب مع قيمة التيار الداخل للمرحل
حيث يتحول التيار المتردد إلى تيار مستمر ذو قيمة مناسبة بواسطة محول تيار يقوم بتخفيض قيمة التيار ثم يوحد التيار بواسطة قنطرة توحيد ويؤخذ الجهد المستمر المقابل لقيمة التيار من على المقاومة الموصلة على التوازي .
يقوم كاشف القيمة Level detector 1 بمقارنة هذا الجهد مع القيمة المعاير عليها وعندما تتخطى قيمة هذا الجهد قيمة التغيير تصدر عن الكاشف إشارة بدء عمل
إلى الموقت وإذا كانت العلاقة التي اختيرت لعمل المرحل هي العمل بعد زمن محد دDefinite time characteristic فان الموقت يقوم بإصدار إشارة الفصل بعد الزمن المحدد المعير عليه .
أما إذا كانت العلاقة التي اختيرت لعمل المرحل هي التناسب تبعاً لعلاقة معنية مع قيمة التيار فقد تكون إحدى هذه العلاقات :
inverse time current characteristic -1
2-Very inverse time current characteristic
3-Extremely inverse time current characteristic
فان المؤقت يستعين بوحدة تشكيل منحنى العلاقة بين الزمن والتيار Curve shape التي تقوم بحساب الزمن تبعاً لنوع العلاقة التي تم اختيارها ثم يصدر إشارة الفصل بعد مروره وعادة يقوم المؤقت بشحن مكثف وعندما تصل قيمة الشحنة إلى قيمة تعيير كاشف القيمة level detector يقوم الكاشف بإصدار إشارة لتفرغ المكثف .
وإذا كانت قيمة التيار الداخل إلى الجهاز أعلى من قيمة التعبير للفصل اللحظي والموضوعة على كاشف القيمة Level detector فانه يصدر إشارة تتخطى المؤقت لتعطي إشارة الفصل بدون أي تأخير زمني وتسمى في هذه الحالة Instantaneous Trip والرسم يوضح مراحل عمل جهاز وقاية ضد زيادة التيار استاتيكي .